Każdy kierowca prędzej czy później może zetknąć się z problemem nagłego rozładowania akumulatora, który uniemożliwia uruchomienie pojazdu. Zanim jednak zaczniemy podejrzewać najgorsze, warto przyjrzeć się bliżej układowi ładowania. Artykuł odpowie na kluczowe pytanie: czy uszkodzony alternator może rozładować akumulator? To wiedza, która może zaoszczędzić nam wiele stresu i pieniędzy, pozwalając na szybką i trafną diagnozę.
Uszkodzony alternator może rozładować akumulator na kilka sposobów
- Alternator może nie ładować akumulatora podczas jazdy.
- Uszkodzony mostek diodowy może "kraść" prąd na postoju.
- Typowe objawy to kontrolka akumulatora, przygasające światła i dziwne dźwięki.
- Prosta diagnoza obejmuje pomiar napięcia multimetrem.
- Możliwe rozwiązania to regeneracja lub wymiana alternatora.

Twój akumulator ciągle pada? To może być wina alternatora!
Czy zastanawiasz się, dlaczego Twój akumulator w samochodzie ciągle się rozładowuje, nawet jeśli jest stosunkowo nowy? Odpowiedź może być prostsza, niż myślisz często winowajcą jest uszkodzony alternator. Tak, to prawda, niesprawny alternator jest jedną z najczęstszych przyczyn problemów z akumulatorem. Dzieje się tak głównie za sprawą dwóch mechanizmów: alternator przestaje ładować akumulator podczas pracy silnika lub, co gorsza, sam zaczyna "kraść" prąd, gdy samochód jest zaparkowany.
Tak, uszkodzony alternator może rozładować akumulator – poznaj sedno problemu
Potwierdzam uszkodzony alternator jest w stanie nie tylko nie dostarczać wystarczającej ilości energii do akumulatora, ale wręcz aktywnie go rozładowywać. To nie jest błahy problem, który można zignorować. Szybka i trafna diagnoza jest kluczowa, aby uniknąć całkowitego unieruchomienia pojazdu i potencjalnie poważniejszych uszkodzeń.
Alternator kontra akumulator: zrozumienie kluczowej współpracy
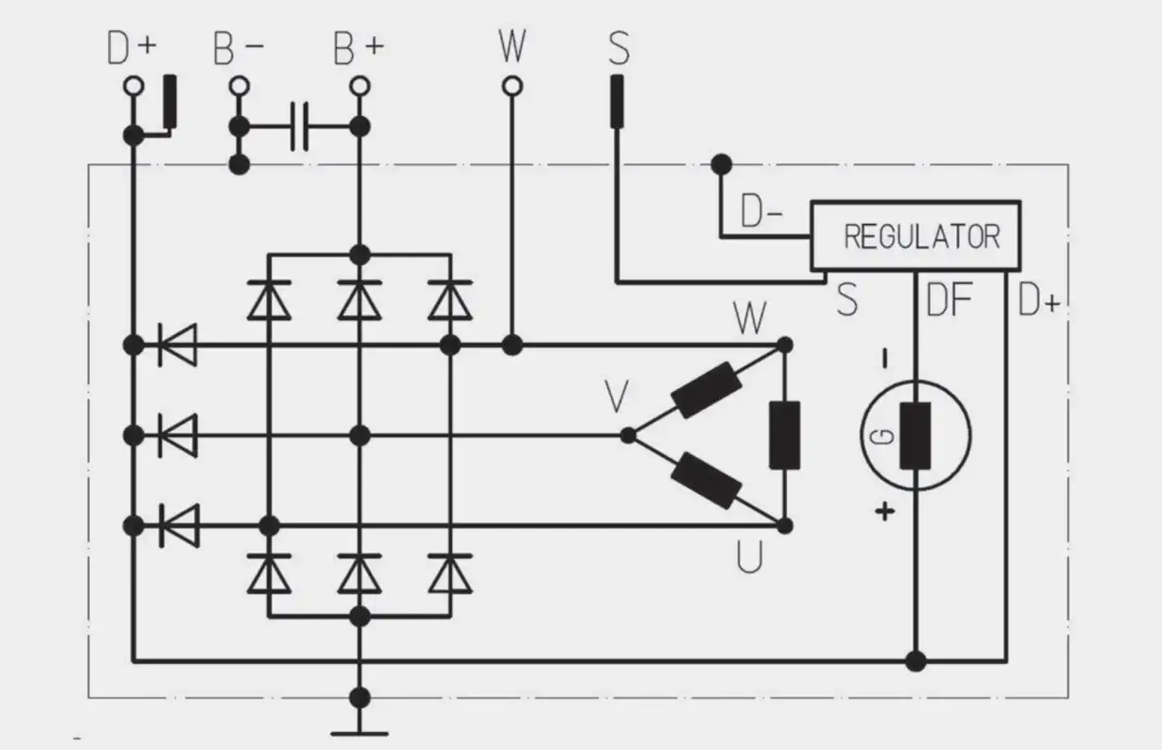
Aby w pełni zrozumieć, jak alternator może rozładować akumulator, musimy najpierw poznać ich role. Akumulator to serce układu elektrycznego podczas postoju i rozruchu dostarcza prąd do rozrusznika i zasila podstawowe systemy, gdy silnik jest wyłączony. Alternator natomiast przejmuje pałeczkę, gdy silnik pracuje. Jego zadaniem jest nie tylko ładowanie akumulatora, ale także zasilanie wszystkich odbiorników prądu w samochodzie od świateł, przez radio, po systemy zarządzania silnikiem. Te dwa elementy muszą ze sobą ściśle współpracować. Gdy alternator szwankuje, ta współpraca jest zaburzona, a konsekwencje odczuwa akumulator.

Uszkodzony alternator jako cichy złodziej prądu: Dwa główne scenariusze awarii
Teraz, gdy już wiemy, że alternator może być przyczyną problemów, przyjrzyjmy się bliżej, jak dokładnie do tego dochodzi. Istnieją dwa główne scenariusze, w których niesprawny alternator prowadzi do rozładowania akumulatora. Zrozumienie tych mechanizmów pomoże nam lepiej zidentyfikować problem.
Scenariusz 1: Brak ładowania podczas jazdy – dlaczego alternator nie nadąża?
Najczęściej spotykany problem polega na tym, że alternator po prostu przestaje spełniać swoją podstawową funkcję ładowanie. Może to wynikać z różnych usterek: zużytych szczotek, które nie przewodzą prądu, awarii regulatora napięcia, który nie kontroluje prawidłowo procesu ładowania, lub uszkodzenia samego uzwojenia. Efekt jest zawsze ten sam: alternator nie wytwarza wystarczającej ilości prądu, aby zasilić działający silnik i jednocześnie doładować akumulator. W takiej sytuacji całe zapotrzebowanie na energię spada na akumulator, który zaczyna się szybko wyczerpywać. To tak, jakbyśmy próbowali zasilić duży dom z małej baterii prędzej czy później energia się skończy.
Scenariusz 2: Kradzież prądu na postoju – jak uszkodzone diody rozładowują baterię w nocy?
Drugi, bardziej podstępny scenariusz, dotyczy uszkodzenia mostka diodowego w alternatorze. Mostek diodowy odpowiada za prostowanie prądu zmiennego wytwarzanego przez alternator na prąd stały, który jest potrzebny w instalacji samochodowej. Jeśli jedna lub więcej diod ulegnie uszkodzeniu, mogą zacząć przewodzić prąd w obie strony. Oznacza to, że nawet gdy silnik jest wyłączony, a samochód stoi zaparkowany, prąd z akumulatora może "uciekać" przez wadliwe diody z powrotem do alternatora. Jest to powolny proces, ale w ciągu nocy lub kilku dni może doprowadzić do całkowitego rozładowania akumulatora. Wyobraźmy sobie kran, który cieknie niby niewiele, ale po czasie cała podłoga jest mokra.
Sygnały, których nie możesz ignorować: Jak rozpoznać, że alternator odmawia posłuszeństwa?
Zanim zdecydujemy się na wizytę u mechanika, warto wiedzieć, jakie są najbardziej typowe objawy wskazujące na awarię alternatora. Często są one na tyle oczywiste, że można je zauważyć na co dzień. Ignorowanie tych sygnałów może prowadzić do wspomnianych wcześniej problemów z rozładowanym akumulatorem.
-
Czerwona kontrolka akumulatora – najbardziej oczywisty znak ostrzegawczy
To pierwszy i najbardziej oczywisty sygnał, który powinien wzbudzić naszą czujność. Świecąca lub migocząca na desce rozdzielczej czerwona kontrolka z symbolem akumulatora informuje nas, że układ ładowania nie działa prawidłowo. Nie oznacza to od razu, że akumulator jest winowajcą często jest to właśnie wina alternatora. -
Przygasające i migoczące światła – problem z napięciem, który widać gołym okiem
Jeśli zauważysz, że światła Twojego samochodu przygasają, zwłaszcza gdy zwalniasz lub dodajesz gazu na niskich obrotach, a także że inne elementy elektryczne, jak radio czy nawigacja, działają niestabilnie, może to świadczyć o problemach z dostarczaniem odpowiedniego napięcia przez alternator. -
Dziwne dźwięki spod maski: co oznacza pisk, szum lub wycie?
Nietypowe dźwięki dochodzące z okolic alternatora to kolejny ważny sygnał. Może to być pisk, który często świadczy o problemach z paskiem napędowym lub łożyskami alternatora, albo szum czy wycie, które mogą wskazywać na uszkodzenie wewnętrznych komponentów. -
Problemy z elektroniką pokładową – gdy radio i nawigacja zaczynają "wariować"
Niestabilne napięcie z uszkodzonego alternatora może prowadzić do nieprzewidywalnego zachowania całej elektroniki pokładowej. Radio może się wyłączać, nawigacja może gubić sygnał, a elektryczne szyby mogą działać wolniej to wszystko są symptomy problemów z zasilaniem.
Prosta diagnoza w 5 minut: Jak samodzielnie sprawdzić, czy alternator prawidłowo ładuje?
Na szczęście, nie zawsze potrzebujemy wizyty u mechanika, aby wstępnie zdiagnozować problem z alternatorem. Za pomocą prostego narzędzia, jakim jest multimetr, możemy samodzielnie sprawdzić, czy nasz alternator działa poprawnie. Ta szybka procedura może dostarczyć nam kluczowych informacji.
Czego potrzebujesz do testu? Krótki przewodnik po użyciu multimetru
Do przeprowadzenia testu potrzebny będzie nam jedynie multimetr elektroniczne urządzenie służące do pomiaru napięcia, prądu i rezystancji. Upewnij się, że Twój multimetr jest ustawiony na pomiar napięcia stałego (oznaczonego jako 'VDC' lub symbolem z ciągłą linią i przerywaną linią nad nią). Czerwona sonda powinna być podłączona do gniazda oznaczonego 'V' lub 'VΩmA', a czarna sonda do gniazda 'COM'.
Krok po kroku: Pomiar napięcia na wyłączonym i uruchomionym silniku
Procedura jest prosta:
- Zmierz napięcie przy wyłączonym silniku: Podłącz czerwoną sondę multimetru do dodatniego bieguna akumulatora (+), a czarną sondę do ujemnego bieguna (-). Zanotuj odczyt.
- Uruchom silnik i ponownie zmierz napięcie na klemach akumulatora: Po uruchomieniu silnika powtórz pomiar, podłączając sondy w ten sam sposób. Obserwuj, jak zmienia się wartość napięcia.
Interpretacja wyników: Kiedy napięcie 13,8-14,5 V to dobra wiadomość, a kiedy powód do niepokoju?
Prawidłowe napięcie na akumulatorze przy wyłączonym silniku powinno wynosić około 12,4-12,6 V. Jeśli jest niższe, może to oznaczać, że akumulator jest już mocno rozładowany lub po prostu zużyty. Najważniejszy jest jednak pomiar przy pracującym silniku. Wówczas napięcie powinno wzrosnąć do wartości w przedziale 13,8-14,5 V. Oznacza to, że alternator pracuje prawidłowo i ładuje akumulator. Jeśli po uruchomieniu silnika napięcie pozostaje na poziomie zbliżonym do tego przy wyłączonym silniku, lub jest znacznie niższe, jest to silny sygnał, że alternator nie ładuje akumulatora i prawdopodobnie wymaga naprawy lub wymiany.
To alternator czy akumulator? Jak odróżnić dwie najczęstsze przyczyny problemów z prądem?
Często problem z brakiem możliwości uruchomienia pojazdu może być spowodowany zarówno awarią alternatora, jak i po prostu zużytym akumulatorem. Kluczem do skutecznej naprawy jest prawidłowe zdiagnozowanie, która z tych części jest winowajcą. Na szczęście istnieją pewne sposoby, aby to rozróżnić.
Test wieku i kondycji akumulatora – kiedy bateria po prostu się zużyła?
Akumulatory, podobnie jak wszystkie inne części samochodowe, mają swoją żywotność. Zazwyczaj akumulator samochodowy służy od 3 do 5 lat, choć ten okres może się różnić w zależności od jakości baterii i warunków eksploatacji. Jeśli Twój akumulator ma już kilka lat, a problemy z rozruchem pojawiają się szczególnie w niskich temperaturach lub gdy włączysz więcej odbiorników prądu, może to oznaczać, że po prostu się zużył i nie jest w stanie dłużej utrzymać ładunku, nawet jeśli alternator działa poprawnie.
Ładowanie prostownikiem nie pomaga na długo? To silny sygnał w stronę alternatora
Jednym z bardziej miarodajnych testów jest obserwacja, jak akumulator zachowuje się po naładowaniu prostownikiem. Jeśli naładujesz akumulator do pełna za pomocą prostownika, a on nadal bardzo szybko się rozładowuje i uniemożliwia uruchomienie silnika, jest to bardzo silny sygnał, że problem leży po stronie alternatora. Oznacza to, że akumulator jest w stanie przyjąć ładunek, ale nie otrzymuje go w odpowiedniej ilości podczas pracy silnika, przez co szybko wraca do stanu rozładowania. W takiej sytuacji alternator najprawdopodobniej nie jest w stanie zapewnić stałego zasilania.
Problem zdiagnozowany – co dalej? Opcje naprawy i wymiany uszkodzonego alternatora
Skoro już wiemy, że problem leży po stronie alternatora, pojawia się pytanie: co dalej? Na szczęście mamy kilka opcji, które pozwolą nam przywrócić sprawność układu ładowania naszego pojazdu.
Regeneracja alternatora: Kiedy jest opłacalna i na czym polega?
Regeneracja alternatora to proces, w którym zużyte lub uszkodzone części są wymieniane na nowe, a sam alternator jest przywracany do stanu pełnej sprawności. Zazwyczaj obejmuje to wymianę szczotek, łożysk, regulatora napięcia, a czasem także uzwojenia czy mostka diodowego. Regeneracja jest często znacznie tańsza niż zakup nowego alternatora, a przy tym ekologiczna, ponieważ pozwala na ponowne wykorzystanie obudowy i innych sprawnych elementów. Jest to świetna opcja, gdy główny korpus alternatora jest w dobrym stanie, a jedynie jego poszczególne komponenty uległy zużyciu.
Wymiana na nowy czy używany? Plusy i minusy każdego rozwiązania
Decydując się na wymianę, stajemy przed wyborem: nowy, używany, czy regenerowany alternator. Nowy alternator to gwarancja najwyższej jakości, długiej żywotności i pełnej sprawności, ale wiąże się z najwyższym kosztem. Używany alternator jest najtańszą opcją, ale niesie ze sobą ryzyko szybkiej awarii, ponieważ nie wiemy, jaki jest jego rzeczywisty stan techniczny. Alternator regenerowany stanowi często najlepszy kompromis oferuje niemalże jakość nowego podzespołu w znacznie niższej cenie, zazwyczaj z gwarancją.
Przeczytaj również: Gdzie jest sterownik centralnego zamka Golf IV? Oto ważne informacje
Na co zwrócić uwagę przy wyborze serwisu do naprawy układu ładowania?
Niezależnie od tego, czy decydujemy się na regenerację, czy wymianę, kluczowe jest wybranie odpowiedniego warsztatu. Dobry serwis powinien charakteryzować się:
- Doświadczeniem i specjalizacją warsztatu w zakresie układów elektrycznych i alternatorów.
- Gwarancją na wykonaną usługę i zamontowane części, co daje nam pewność i bezpieczeństwo.
- Pozytywnymi opiniami innych klientów, które świadczą o rzetelności i jakości usług.
- Przejrzystością kosztów powinniśmy być informowani o wszystkich przewidywanych wydatkach przed rozpoczęciem naprawy.
